Günlük hayatımızda elektrikle hemen her yerde karşılaşmaktayız. Bilgisayarlarımız, telefonlarımız, televizyonlarımız ve sahip olduğumuz birçok alet elektriğin yokluğunda işlevini yerine getiremez durumdadır. Peki, bu cihazlara gelen elektriği ne kadar iyi tanıyoruz? Evimizde kullandığımız herhangi bir cihazın fişini prize çalıştırmak ile bir pile bağlayıp çalıştırmaya çalışmak aynı mıdır? Veya bu cihazı güçlü bir pile bağlasak bile çalışacak mıdır?
İnverter Nedir?
İnverterin ne olduğundan veya ne işe yaradığından bahsetmeden önce elektriğin temellerini anlamamız gerekmektedir. Günlük hayatımızda elektrik akımı karşımıza 2 ayrı şekilde çıkar:
- Alternatif akım (AC)
- Doğru akım (DC)
Alternatif akım, alternatör adı ile bilinen ve çalışma prensibi mıknatısların manyetik alanlarına bağlı olan cihazlar tarafından üretilir. Mıknatısların 2 kutbu olmasından ötürü alternatif akımı aşağıdaki görselde sunulduğu gibi yeşil bir sinüs dalgası şeklinde elde etmekteyiz.

Doğru akım, alternatif akım hayatımıza girmeden çok daha önceden beri bizimle birliktedir. Pil gibi cihazların sağladığı akım tek yönlüdür ve doğru akım olarak adlandırılırlar. Buna benzer olarak, solar panel kullanılarak elde edilen elektrik akımı da doğru akımdır. Peki, biz bu doğru akımı alternatif akıma çevirmek istediğimiz durumlarda ne yapmalıyız? Veya böyle bir yol var mı? İşte burada inverterler devreye giriyor.
Türkçe adıyla güç çevirici veya invertör olan inverter doğru akımı alternatif akıma çevirmeye yarayan bir cihazdır. İnverterler doğru akımı alternatif akıma çevirmesinin yanı sıra verilen değerlere ve cihaz içerisinde kullanılan komponentler üzerinde yapılan gerekli düzenlemelere bağlı olarak frekans ayarı da yapabilmektedir.
İnverter Ne İşe Yarar?
İnverterler doğru akımı alternatif akıma çeviren cihazlardır. Kullandığımız elektrik üretici cihazlar temelinde 2 ayrı tipte akım sağlamaktadır. Eğer güneş paneli gibi doğru akım sağlayan bir üretici kullanıyorsak ve bu akımı belirli bir gerilim, frekansta alternatif akım olarak elde etmek istiyorsak inverter kullanmak zorundayız.
Güneş panellerine ek olarak, yenilenebilir enerji kullanarak elektrik üretilen birçok alanda inverterlerin kullanımını görmekte mümkündür. Yenilenebilir enerji kaynakları kullanılarak üretilen elektrik doğru akıma sahip olduğundan bu alanda inverterleri görmek oldukça olağandır. Aşağıda DC sağlayan bir güneş paneline bağlı bir inverter görebiliriz.

İnverter Nasıl Çalışır?
Anahtarların çok hızlı bir şekilde açılıp kapanması, DC kaynağının artı ve eksi uçlarının çok hızlı yer değiştirmesi doğru akımın kesintiye uğrayıp 0 ve altı değerlere inmesine sebep olacaktır. Anahtar kapatma hızı istenilen değerler için belirlendiğinde istenilen çıkış frekansı elde edilecektir. İnverter IGBT (İzole edilmiş kapılı, iki kutuplu transistör) adı verilen bir transistör ile fonksiyonelliğini kazanmaktadır. Bu transistör ile inverter doğru akımı istenilen güç ve frekansta alternatif akıma çevirebilmektedir.
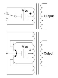
İnverter Devresi

Basit bir inverter devresinde DC güç girişi bir transformatöre bağlıdır. Burada bulunan bir anahtar hızlıca açıp kapatılarak elektrik akımının ileri ve geri yönde gitmesi sağlanır. Bu sadece transformatör 2. devrede AC güç üretebilme kapasitesine sahiptir.
İnverter Fiyatları
İnverter fiyatları seçilecek ürün doğrultusunda değişiklik göstermektedir. Markası, modeli ve fonksiyonları dahilinde değişken bir fiyata sahip olan inverterler minimum 150 TL’den başlamaktadır. Bu inverterler sadece gerilim dönüştürme işlemi yapmaktadır. Daha fonksiyonel ve parametrelere sahip olan inverter ihtiyacı bulunuyorsa bu durumda fiyatlar biraz daha artacaktır. Çeşitli parametrelere sahip inverterler 1000 TL bandından başlamaktadır.
İnverter Seçerken Nelere Dikkat Edilmelidir?
İnverter seçimi bağlantı yapılacak olan sistemin çalışması için oldukça önemli bir konudur. İnverter seçimi yaparken şunlara dikkat edilmesi gerekir:
- Yüksek voltaj ve yüksek akımdan dolayı oluşabilecek sıcaklığa dayanacak malzeme seçilmesi
- Kısa devre ve ters kutup bağlantısı gibi hatalara karşı koruma devresinin bulunması
- Oluşturulan sinüs dalgasının saflığı
Muhendislik ve Teknoloji Haberleri sitesinden daha fazla şey keşfedin
Son gönderilerin e-postanıza gönderilmesi için abone olun.